 |
Amplificatore Finale |
 |
|
|
|
| Classico finale made in japan, bello tosto e potente. Ha la possibilità di funzionare in mono a ponte. Ingresso con volume, quindi si può collegare direttamente una sorgente. Dopo averlo ripulito e riparato (aveva un finale bruciato), ho provato a sostituire i condensatori in ingresso con degli MKP. Poi, visto che il suono era identico, ho rimesso gli originali elettrolitici ELNA... |
|
Galleria di foto:
-
-
-
-
- |
|
|
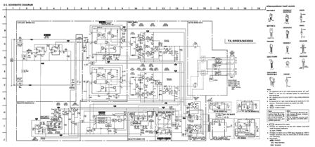
Schema elettrico -  |
|
|
|
|