 |
Diffusore |
 |
|
|
| Un sistema ad alta
efficienza "home"! |
| Utilizzando componenti
professionali, lo scopo del progetto è stato quello di ottenere un diffusore dalle caratteristiche sonore più simili ad un diffusore hifi, ma senza i limiti tipici di questi ultimi. In particolare, la dinamica e tenuta in potenza, in assenza di distorsione e compressione. |
| La scelta, è caduta su un
sistema a tre vie, caratterizzato da una componentistica
tutta italiana e oramai un po' vintage: Woofer RCF
L15P200A, RCF L127544 e B&C DE-12-8 + ME45. La scelta è
motivata dal fatto che avevo già tutti gli altoparlanti,
e per l'L15P200A, anche il box! |
|
| Woofer: scendere alle frequenze più basse sacrificando un po' l'efficienza, o "accontentarsi" ed ottenere un reflex più veloce e d'"impatto"? Le prestazioni, da chiaro componente pro ci sono tutte, per cui lavorando
praticamente a terra, otterrò anche un po' di "room
gain". Quindi mi oriento verso la seconda opzione.
In 90 litri (85 reali), ottengo una Fb di 42Hz ed una
MIL e MOL da stare tranquilli in casa ed oltre... 2 tubi
da 13,5 cm sono appena sufficienti per non generare
eccessive turbolenze. |
| Il diffusore delle vie
superiori è in realtà nato come un "mini diffusore" ad
alta efficienza, quindi in grado di funzionare anche
solo, con la naturale e logica limitazione verso le più
basse frequenze. L'intero progetto di questo diffusore,
è stato presentato sulle pagine di CHF n.265 del Luglio
2021 |
| Quando si ha a che fare con
componenti pro e incroci bassi, risulta difficile
ottenere un diffusore "facile" da pilotare. Questo
sistema purtroppo, non ne è l'eccezione. Il sistema
quindi è utilizzato in biamplificazione attiva, e
pertanto, l'incrocio tra woofer e mid/woofer, è eseguito da un crossover
elettronico analogico, specificatamente progettato per
questo sistema, e l'amplificazione ad oggi utilizzata,
sono 2 Formula Sound "HD5000" (Outline) che forniscono
al sistema un totale di oltre 1400 Watt. |
| Quindi i woofer sono
direttamente collegati ad un finale, senza crossover
passivo, e l'altro finale, collegato si "satelliti",
provvisti di un crossover passivo per l'incrocio tra mw
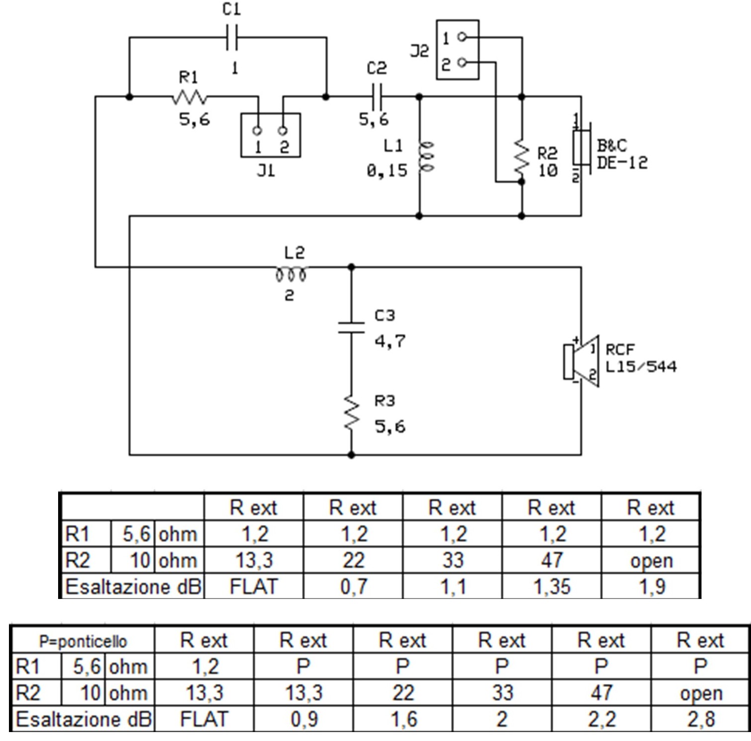
e TW. La cella del crossover del TW, ha la possibilità
di settare entro 0 +2,8 Db il livello di emissione del
TW. |
| Attraverso il crossover
elettronico, si può regolare separatamente, il livello
del w e dei satelliti, nonché regolare la fase da 0 a
180° |
| A parte le descrizioni tecniche, ma come suona questo sistema? Logicamente "ogni scarrafone è bello a mamma sua!"
Quindi riporto solamente alcune impressioni di amici e
appassionati che l'hanno ascoltato. La sensazione più
eclatante che ha sorpreso un amico, forse il più tecnico e conoscente della materia, è stata l'emissione delle altissime frequenze. Non credeva che un driver a tromba potesse risultare in casa e a distanza tipicamente casalinga, così poco affaticante e dettagliato. E questa caratteristica, l'hanno
riscontrata praticamente tutte le persone che hanno
ascoltato il sistema. Le altre impressioni generali,
sono state di estrema pulizia e assenza di zone in
evidenza. Una scena sonora ampia ma sempre ben
localizzata. Alzando il volume poi, a parte
l'inevitabile limite dell'ambiente, la sensazione
generale è stata quella di una dinamica impressionante,
con la percezione dei piani, forti e fortissimi,
riprodotta in maniera superba. In sala, per volumi
altissimi, mi riferisco a circa 100w TOTALI dei 1400
disponibili, considerando che la sensibilità del
sistema, è di circa 97dB/2,83V/1m. Forse chi legge, potrà recriminare una non profondissima estensione in basso. Vero, verissimo! Manca un eventuale sezione subwoofer.
L'ingombro necessario per implementare 2 subwoofer
all'altezza del resto, la difficoltà nel posizionarli e
gestire nel mio salone le frequenze al di sotto dei
30Hz, unito al fatto che i woofer posizionati a circa 15
cm dal pavimento restituiscono un basso potente, veloce
e pulitissimo, mi hanno convinto a non aggiungerli. In
questa attuale configurazione, i cannoni della 1812, già
con i pochi watt indicati in precedenza, fanno vibrare
l'intero appartamento! |
-
-
-
-
-
-
-
-
|
|
Tabella R1 R2 su TW - Crossover elettronico -
Formula sound HD5000 - Preamplificatore - |
|
|
|